Performance Diagnostics practice with the Ergometer
Contents
- 1 Introduction
- 2 General preparation for performance diagnostics
- 3 Athletes
- 4 Ergometer preparation for testing & training
- 5 Preparation of the PowerControl Ergometer
- 6 Warm-up
- 7 Workouts
- 8 Test
- 9 Activities
- 10 Hyperbolic Performance Test (incremental stress test)
- 11 Isokinetic Performance Test
- 12 A combination of the Hyperbolic and the Isokinetic Performance Test
Introduction
In the following sections, you can see prepared the ergometer and programmed protocols to perform several performance tests.
General preparation for performance diagnostics
- Power-on spiroergometry (30min before beginning of test)
- Power-on ergometer’s power supply
- Preparation diagnostic devices (Lactate analysis, etc.) 30min beginning of test
- Room temperature (18 – 24°C) should measured
- Relative air humidity should measure (30 – 60%) in room
- Check position of ventilator
Athletes
- Welcoming
- Clients prepare for test - put on the heart rate strap
- Choose the option “Add new athlete” to create a new profile or “Search” for an athlete you added before
- Documentation of personal data of client (name, height, weight, gender, date of birth, crank length)
- Completion questionnaire / exclusion of liability
- Discussion of the data and test procedure
- Choose an "Athlete" or a "Workout" with the Next-Button. An information sign indicates if there is not chosen an Ahtlete/Workout.
Ergometer preparation for testing & training
Before every performance diagnostic or every training you should check the positioning of the athlete. The mechanical adjustment of the SRM – Ergometer allows the rider to find his individual positioning.
Fly masses
The mass moment of inertia of a cycling athlete causes an approximate constant angular velocity of the pedaling circle, although thee cyclist´s torque (power) is nearly zero when the cranks are in vertical position. If the SRM Ergometer had no fly mass, the cadence would decrease to nearly zero in the vertical crank position and high power output, resulting in a non-circular pedal cadence. This would result in a very non-circular tread then. Therefore the SRM Ergometer is currently equipped with two fly masses: SMALL (12mm thick, 4,6kg) and LARGE (24mm thick, 9,1kg).
Notice
The default configuration for the most common Ergometer tests is installing the LARGE fly mass inside the gearbox on its own! Please remove the SMALL fly mass as described below! For more information on kinetic energy simulation, fly masses and gear ratio of the Rohloff hub see the manual or visit our webpage at www.srm.de
Removal and mounting instructions
Always disconnect thee power supply from the Ergometer when opening the side covers! Never operate the Ergometer without the side covers! Before removing side covers insure fly masses have stopped spinning completely and use care when handling the fly masses to prevent injuries or bruises – both are very heavy!
- To remove/mount a fly mass you need the following tools: One or two aluminum spacer, Torx screwdriver an nut wrench (Fig.1)
- Open the cap of the Ergometer by removing the seven Torx screws (marked red) with the Torx T30 wrench (Fig.2)
- Use the nut wrench to rotate the brass nut counterclockwise (Fig.3). Hold the fly mass to counter the tool pressure if needed
- Remove the nut and pull the two fly masses off thee axle (Fig.4). Pay attention not to damage the threads on the axle
- Replace the SMALL fly mass with one aluminum spacer (Fig.5) or add two spacers when replacing the LARGE fly mass. Make sure the groove :in the spacer coincides with the feather key in the axle
Always insure the correct fly mass/spacer configuration: When installing both fly masses always add the SMALL fly mass first onto the axle. When removing the SMALL fly mass, add one spacer first, then add the LARGE flywheel. Same when replacing the LARGE fly mass – add the SMALL fly mass first and then add the two spacers. When testing without any fly mass remove all parts including the brass nut.
- To reinstall the fly mass on the axle (Fig.6) make sure the groove in the fly mass coincides with the feather key in the axle. This :groove will lock the fly mass an prevent thee fly mass from spinning free
- Using the nut wrench, rotate the brass nut clockwise until hand-tight (Fig.7)
- Make sure the fly mass sits firmly, has no play on the axle and can rotate freely! Remove all tools inside the gearbox! Reinstall thee :cover with the seven Torx head screws. Do not over tighten!
See also: Gearbox and fly masses functions
Mechanical adjustment & positioning of the athlete
Optimizing individual positioning is quickly achieved by adjusting the saddle and handlebar vertically and/or horizontally. To do so you have to open the locking lever. Because of a ruler which is attached to the saddle post you can reproduce your perfect positioning. If adjusted correctly, it should be easy to move the vertical and horizontal stems when the quick release is open. A 5 mm Allen key situated on the saddle and handlebar mounts allows for further rigidity.
Settings the Crank length
First we recommend to mount the client’s pedals and set-up the crank length as on client’s bicycle.
The prolongable crank has round markings every 2.5 mm and every 10 mm a line. If the steel element of the crank is completely retracted in the aluminium crank the minimal length of the crank arm is 150 mm. If the crank arm is completely pulled out, the maximal length is 190 mm. Before changing the crank arm length you have to open both Allen screws.
After adjusting the right crank arm length, please tighten the Allen screws again with a maximal torque of 10 Nm so that they won’t come loose while you ride the Ergometer. Make also sure that the screws are situated with a distance of a 2.5 mm. This can be determined when the fixing spring (situated between the Allen screws) locks into the holes of the steel element of the crank. Please do never remove or adjust the fixing spring.
From time to time it is necessary to grease the steel elements of the crank to protect them from sweat and to maintain the free movement.
Horizontal & Vertical Positioning of the saddle
The ruler which is integrated in the seat stay gives you the distance between the center of the bottom bracket and the front of the saddle. The distance in cm can be read from the left hand side of the seat stay.
Bike fitting
Transfer settings of client’s own bike to the sitting position.
Saddle height
The heel with the extended leg should reach the lowest position in the pedaling cycle.
Saddle setback
In the horizontal position of the crank the knee (patella) should be perpendicular to the pedals axle.
Rohloff gear check
We recommend to verify the gear of thee Rohloff hub before every test or training. Our general recommendation is to use gear 9 - corresponding to the red point at the turning handle.
Preparation of the PowerControl Ergometer
Zero offset calibration of the PC Ergometer
The PowerMeter delivers a certain frequency which is proportional to the torque of the pedal force on the crank. If there is no load on the crank, the PowerMeter is sending a base frequency which must be communicated to the ergometer software and to the PowerControl as a reference value. This procedure is called zero offset calibration (offset adjustment).
The zero offset calibration has to be done before every new assembly of the PowerMeter and also before every measurement resp. every training on the Ergometer. A wrong zero offset calibration can result in an internal miscalculation of the power.
Please perform the zero offset calibration as it is described below:
- For a manual comparison, please turn the right unloaded crank clockwise to activate the PowerMeter.
- By simultaneously pressing MODE and SET, the PowerControl turns into calibration mode.
- Wait a few seconds until the value on the right-hand side of the display stabilized itself.
- Press SET to apply the zero offset.
- The number on the right-hand side of the display is the current frequency of the PowerMeter (SET).
- The number on the left-hand side of the display is the frequency which is used for the power measurement (MANU).
- By pressing the Read Settings button in the software, the zero offset will be displayed in the white background field.
- Press the Write Settings button, so that the zero offset will be saved in the software.
See also: Zero offset calibration of the PowerMeter
Warm-up
- Recommendation of at least 3 - 4 min with a low workload (e.g. 75-100W)
- predefined warm-up
- Check the correct settings for:
- Heart rate
- Cadence
- Power
- Speed
- Recommendation of at least 3 - 4 min with a low workload (e.g. 75-100W)
Workouts
Determine the test protocol:
- Add new workout
- Import new workout
- Drop file to import workout
- Last saved workout is opened automatically. Caution: The workout allways have to save!
You can import new workouts as .erg files and as .fit files.
Test
Start and Stop performance diagnostics
BRAKE ON: The brake is active and the client can pedaling with resistance
BRAKE OFF: The brake is deactivate and the client can continue pedaling without resistance and cool down – continuous recording of the heart rate
(No Brake or Brake on only works in combination with the Ergometer)
START: Start by beginning to pedal or pushing the Start Button (Check the values displayed on the computer screen)
STOP: Finish the test
PAUSE: Interrupt the test
NEXT STEP: Go to the next step of the test
LAST STEP: Go to the last step of the test
STOP ERGO: Stop the ergo immediately (it only works without cadence)
Next steps
- Comment: Entry file name then press Save
- Recommended cool – down - protocol with lower workload
- Clean the ergometer (!)
Activities
- Select activity to analyze, export or delete
- Export activity as .fit file, pdf, png, jpg
- Activity-ID is automatically generated
Hyperbolic Performance Test (incremental stress test)
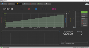
You can see two examples of an incremental hyperbolic stress test on the right hand side. The first image shows you the protocol which was programmed under the Workouts tab before starting the stress test. This particular one starts at 80W over 3 min and will be increased by 20 W every 3 min.
The second image shows you the data and guidelines during the incremental hyperbolic stress test.
- The current power is shown green colored
- The current heartrate is shown red colored
- The current cadence is shown blue colored
- The current torque is shown yellow colored
- The current speed is shown pink colored
- The same colors are being used for the lines in the monitor image.
- The graphic scaling adjusts automatically to the produced power.
- Under Time you can see the ridden time so far
- Under Time to next step you can see the remaining time until proceeding to the next step
- The colored bars in the upper right area have the following function:
- At 90 to 100 % completion of the cadence guideline, the bar stays green. At 80 to 90 % completion the bar turns yellow and at 70 to 80 % it turns red. There is no display of larger deviations.
The intermediate status display has the following functions:
- The name of the File.
- The amount of time with the associated power and cadence you want to add to the test.
- Showing after which guideline you train at the moment: Control by Idle, Control by Power or Control by Cadence.
- No Brake or Brake on works only in combination with an Ergometer.
- Start, Pause or Resume to start, pause or resume the test.
- If you are done with the test you can end the test and leave the online program by clicking on Stop.
- By clicking on Prev. Step / Next Step you can, depending on what you have adjusted at the Predefined File level, go back to the previous step / marker or jump forward to the next step / marker.
- Stop Ergo works only in connection with the Ergometer and if there will be no cadence.
Isokinetic Performance Test
During modern races, the ability to deliver high power outputs for a short period of time is crucial. By example in a brake away, on climbs or in a final sprint. To evaluate functional power output it is possible to develop a isokinetic performance test whereby the cadence is controlled while the cyclist delivers power at free will.
A combination of the Hyperbolic and the Isokinetic Performance Test
For professional users it will be interesting combining the hyperbolic and the isokinetic mode as it is possible to simulate realistic outdoor training situations with the Ergometer.
- In the monitor image the steps of the hyperbolic mode are displayed in green and isokinetic in grey.